参数资料
型号: PC725V0YUZXF
厂商: Sharp Microelectronics
文件页数: 3/16页
文件大小: 0K
描述: PHOTOCOUPL HI VCE DARL VDE 6SMD
产品目录绘图: PC725V Circuit
标准包装: 500
通道数: 1
输入类型: DC
电压 - 隔离: 5000Vrms
电流传输比(最小值): 1000% @ 1mA
输出电压: 300V
电流 - 输出 / 通道: 150mA
电流 - DC 正向(If): 50mA
Vce饱和(最大): 1.2V
输出类型: 有基极的达林顿晶体管
安装类型: 表面贴装
封装/外壳: 6-SMD
包装: 管件
产品目录页面: 2769 (CN2011-ZH PDF)
其它名称: 425-2163-5
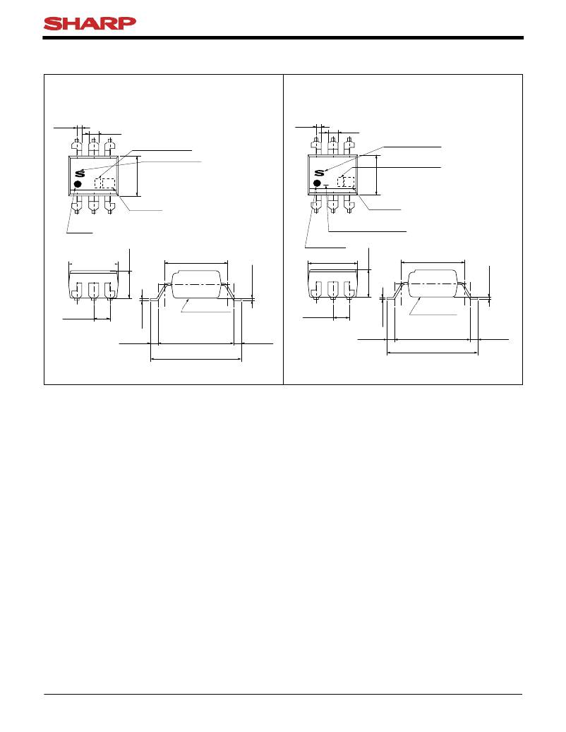
PC725V0NSZXF Series
(Unit : mm)
5. Wide SMT Gullwing Lead-Form
[ex. PC725V0NUZXF ]
6. Wide SMT Gullwing Lead-Form (VDE option)
[ex. PC725V0YUZXF ]
0.6 ± 0.2
1.2 ± 0.3
Factory
identification mark
0.6 ± 0.2
1.2 ± 0.3
SHARP mark "S"
PC725V
SHARP mark "S"
PC725V
Factory
identification mark
4
Anode
mark
Date code
Date code
VDE Identification mark
Anode mark
7.12
7.62
2.54 ± 0.25
± 0.5
± 0.3
Epoxy resin
7.12 ± 0.5
2.54 ± 0.25
7.62 ± 0.3
Epoxy resin
0.75 ± 0.25
10.16 ± 0.5
0.75 ± 0.25
0.75 ± 0.25
10.16 ± 0.5
0.75 ± 0.25
12.0
Product mass : approx. 0.35g
12.0 MAX.
3
MAX.
Product mass : approx. 0.35g
Plating material : SnCu (Cu : TYP. 2%)
Sheet No.: D2-A04502EN
相关PDF资料
PDF描述
PJRX24AD RELAY IMPULSE DPDT 10A 24V
OSTHM113081 CONN TERM BLOCK 11POS 3.81MM
12.7MM-5M-0.5MM-5590H THERMAL INTERFACE PAD 12.7MM
OSTVY190100 TERM BLOCK PLUG 5.0MM 19POS
OSTHE215041 CONN TERM BLOCK 21POS 2.54MM
相关代理商/技术参数
参数描述
PC725VONIZXF 制造商:Sharp Microelectronics Corporation 功能描述:
PC725W 制造商:未知厂家 制造商全称:未知厂家 功能描述:DARLINGTON-NPN-OUTPUT DC-INPUT OPTOCOUPLER
PC727 制造商:SHARP 制造商全称:Sharp Electrionic Components 功能描述:Low Input Current Drive Type Photocoupler
PC729 制造商:SHARP 制造商全称:Sharp Electrionic Components 功能描述:Bi-directional Output Type Photocoupler
PC73 制造商:Datak Corporation 功能描述:Res POT 5K Ohm 20% 1/5W 1Turn 6mm (39.4 X 17 X 31.5mm) Pin Thru-Hole